拉繩開關 發布時間:2019-09-16 已獲點擊:24 詳細說明 LT25-DA雙向拉繩開關結構圖 雙向拉繩開關是用于" />

產品型號:LT25-DA
發布時間:2019-09-16
已獲點擊:24
詳細說明
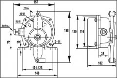
LT25-DA雙向拉繩開關結構圖
雙向拉繩開關是用于皮帶輸送機發生故障時緊急停機的一種安全開關。沿著皮帶輸送機兩側安裝,拉繩開關又叫做緊急停機開關,一般在一些企業里面在使用,不過現在有的農村也還在使用這種雙向拉繩開關,雙向拉繩開關是一種開關型的傳感器,一般是用于皮帶輸送機,包裝生產線,起重機,挖掘機以及水平給料機。雙向拉繩開關屬于一種現場緊急事故停機的一種保護裝置,當有緊急事故發生的時候,人們在現場沿線任意的地方就可以拉動拉繩開關,拉動拉繩的時候就可以發出停機的信號,從而使的機器停止運作,達到保護人身安全的作用,這種開關雖然現在是多數用于企業,不過有的家庭仍然在使用。今天我們就來了解一下拉繩開關的結構和安裝的方法吧。,能在任意位置使開關動作停機。堅固的外形結構、良好的密封保護、輸送機兩側安裝,能在任意位置使開關動作停機。
LT20-DA屬于自動復位,動作后自動復位。LT25-DA雙向拉繩開關屬于手動復位,DLK2-15B-H拉繩開關俗稱“緊急停機開關”。作用于帶式輸送現場需要停機時,通過開關動作使輸送機停機。拉繩開關分為手動復位和自動復位兩種,需要達到國家規定IP等級。雙向拉繩開關自動復位:動作后后能自動回到初始位置,可能會造成誤差啟動。手動復位:動作后有自鎖裝置能保持在操作位置上,需要手動操作復位手柄可使其返回初始位置。拉繩開關是帶式輸送機必備的安全保護裝置,防止事故的擴大而帶來重大損失。雙向拉繩開關由于安裝方便,開關轉換可靠,在帶式運輸現場得到廣泛的應用. 雙向拉繩開關安裝和調整拉繩開關應安裝在輸送機兩邊具有檢修通道的地方,安裝位置應確保檢修人員在緊急情況下操作方便。,動作后有自鎖裝置(鎖定銷),需要手動拉出復位后開關才能重新使用。本件為雙向動作,拉繩臂兩端均可安裝拉繩,拉繩開關是一種開關型傳感器(即無觸點行程開關),雙向拉繩開關主要用于常規皮帶輸送機、梭式輸送機、裙邊式給料輸送機、斗式提升機,包裝生產線、堆料/取料系統,起重機、挖掘機、輪船裝卸系統、水平給料機等設備現場緊急事故停車的一種保護裝置。當緊急事故發生時,在現場沿線任意處拉動拉繩開關,均可發出停機信號,實現對人身及設備的保護作用。因為雙向拉繩開關既有行程開關、微動開關的特性,雙向拉繩開關同時又具有傳感性能,并且動作可靠、性能穩定、頻率響應快、使用壽命長、抗干憂能力強、防水、防震、耐腐蝕等特點。雙向拉繩開關廣泛應用于機械、礦山、紡織、印刷、化工、冶金、輕工、閥門、電力、保安、鐵路、交通、水泥、港口碼頭等行業使用的帶式輸送機輸送系統中。,當膠帶機運行出現故障需停機,現場工作人員拉動拉繩,使轉臂轉過一定的角度,觸動工作開關后能同時發出報警和停機兩組信號,達到預防和控制設備及操作員安全的目的。
主要組成部分
雙向拉繩開關主要是由拉桿凸輪、復位柄、鎖槽、微動開關等部件組成。拉繩開關安裝于皮帶式輸送機兩側機架之上,采用鋼絲繩沿著輸送機設備兩側將開關連接起來。在輸送帶設備發生緊急事故情況下時,在輸送機沿線任意拉動鋼絲繩,鋼絲繩將會牽動驅動臂開始旋轉,通過傳動軸從而帶動扭力彈簧使精密的凸輪發生位移,驅動雙向拉繩開關切斷控制線路,使得輸送機快速的停止運行。

安裝與接線:
1、拉繩開關成對安裝在膠帶機左右兩側,安裝支架與膠帶機中間架用螺栓或采用焊接固定,拉繩開關又叫做緊急停機開關,一般在一些企業里面在使用,不過現在有的農村也還在使用這種雙向拉繩開關,雙向拉繩開關是一種開關型的傳感器,一般是用于皮帶輸送機,包裝生產線,起重機,挖掘機以及水平給料機。雙向拉繩開關屬于一種現場緊急事故停機的一種保護裝置,當有緊急事故發生的時候,人們在現場沿線任意的地方就可以拉動拉繩開關,拉動拉繩的時候就可以發出停機的信號,從而使的機器停止運作,達到保護人身安全的作用,這種開關雖然現在是多數用于企業,不過有的家庭仍然在使用。今天我們就來了解一下拉繩開關的結構和安裝的方法吧。,其位置應低于膠帶及便于現場工作人員使用。兩臺拉繩開關之間相距50m左右為宜。
2、拉繩推薦采用覆塑鋼絲繩,(或普通鋼線繩1XW19-4(5)-150,絲直徑4-5mm均可)。絲繩用繩卡(6KTH)固定,每隔3m左右安裝一個托環,以免鋼絲繩繞度過大,保證拉繩動作可靠。在滿足開關正常工作的前提下,盡可能拉緊繩索,減少鋼絲繩垂度。
3、對于爬坡段膠帶機,應盡量縮短開關間距,及拉繩長度。
4、接線:拉繩開關出廠時配有長度1.2m四芯橡套電纜,芯線上配有1、2、3、4線號,其中1、2為常開接點,3、4為常閉接點。
Copyright © 濟寧卓信機電設備有限公司 版權所有 魯ICP備12019670號
全國服務電話:0537-2839666 傳真:0537-2228358 百度地圖 拉繩開關
公司地址:山東省濟寧高新經濟技術開發區