跑偏開關 發布時間:2019-09-12 已獲點擊:36 詳細說明 大同市兩級跑偏開關KPT1-20-25 型號: KPT1" />

產品型號:KPT1-20-25
兩級跑偏開關KPT1-20-25
型號:KPT1-20-25、KPP-I-20-25、KPP-I-20-35
產品名稱:兩級跑偏開關,皮帶機跑偏開關,防偏開關

產品介紹: 兩級跑偏開關主要應用在冶金、電力、煤巖、礦山及化工等行業的輸送系統中,是輸送機自動化控制不可缺少的傳感元件。
兩級跑偏開關可用于輸送機膠帶跑偏的檢測,防止由于膠帶跑偏而造成物料溢出等故障。
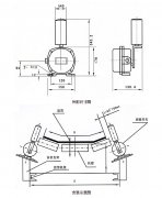
本產品選用鋁壓鑄處殼具有防水、防灰、防震等優點,安裝方便、開關性能可靠,使用與安裝:防偏開關可固定在輸送機縱梁頂部或底部,動作桿距皮帶邊緣約25mm。通常安裝在皮帶兩側距頭部或尾部0.3-2米的地方。當皮帶跑偏時,迫使動作桿偏離,觸動報警開關。兩級跑偏開關如果繼續偏離,觸動別一組開關,輸送機就會保護性停機。,在輸送機膠帶中得到廣泛應用。
用途:兩級跑偏保護功能,一級跑偏做報警信號可接入自動調整裝置,兩級跑偏開關適用范圍 兩級跑偏開關用于常規皮帶輸送機:地下、索道支撐皮帶輸送機:輪船裝卸系統;堆垛/取料輸送機;傾斜和梭式輸送機;起重機、挖掘機,起重臂限位:裙邊給料機/輸送機:重型極限開關檢測膠帶的跑偏量,是實現膠帶機控制的自動報警和停機的保護裝置。兩級跑偏開關廣泛用于冶金、煤炭、水泥建材、采礦、電力、港埠、冶金、化工等領域的各種帶式輸送設備。,用于校正膠帶的偏離和扭曲。二級跑偏做停機信號,將其接至控制線路中,安裝說明 1、兩級跑偏開關底座兩邊各有Ф12mm孔,在皮帶機旁角鐵架鉆Ф12mm孔,用M10×30mm螺絲緊固跑偏開關。 2、安裝跑偏開關應選擇輸送裝置易出現跑偏的位置處安裝,參考應用單位工藝要求,同時要考慮皮帶與擋輪的有效間距和推力,建議皮帶與檔輪間的安裝距離為120-160mm。 3、安裝距離:建議每50米安裝一對跑偏開關。 4、跑偏開關出廠時配有長度0.5米四芯橡套電纜,芯線上配有1、2、3、4線號,其中1、2為常開接點是一級報警信號,3、4為常閉接點是二級停機信號。,即可實現停機。
使用環境條件:
1.環境溫度:-40℃~60℃
2.相對濕度不大于85%
3.海撥高度不超過2000m
4.使用壽命:開關動作10萬次
5.絕緣電壓:AC1000試驗1分鐘
6.觸點容量:≤AC380 ≤5A
7.防護等級:HFKPT1 IP67

大同市兩級跑偏開關KPT1-20-25
跑偏開關型號大全
KPT1-20-25、KPP-I-20-25
KPP-I-20-35、PXA-02GKH-10-30-A
PXA-02GKH-10-30-B、PXA-02GKH-10-30-C
JHPK-12-35、DPP-KL-22T
Copyright © 山東卓信機械有限公司 版權所有 魯ICP備12019670號
全國服務電話:0537-2839666 傳真:0537-2228358 百度地圖 打滑開關
公司地址:山東省濟寧高新經濟技術開發區 音叉開關